¡Su proveedor B2B más confiable del mercado!

SKF  |  SKU: L.7006 CDGA/P4A SKF -- 7006 CDGA/P4A

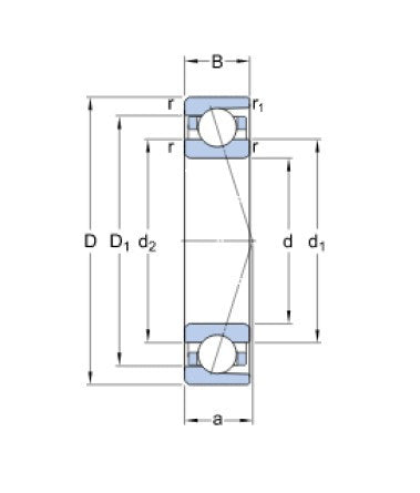
SKF 7006 CDGA/P4A rodamiento de husillo


Varianta
€131,00
Impuestos incluidos Envío calculado al finalizar la compra.

Descripción

SKF 7006 CDGA/P4A - rodamiento de bolas de contacto angular, de precisión, no desmontable, de una fila, con un ángulo de contacto de 15°, jaula ligera de resina fenólica reforzada con tejido textil guiada por el alojamiento del anillo exterior, universalmente acoplable con precarga ligera. El rodamiento puede soportar carga axial solo en una dirección, por lo que generalmente se ajusta contra otro rodamiento. La holgura interna de los rodamientos de bolas de una fila con contacto angular se logra solo después del montaje y depende del ajuste de la posición axial respecto al segundo rodamiento, que asegura la guía axial en la dirección opuesta. Los rodamientos para acoplamiento universal se montan en pares y se fabrican para que al ensamblarse para carga axial en una dirección, es decir, en tándem, o para carga axial en ambas direcciones, es decir, espalda con espalda en "O" o frente a frente en "X", se logre la holgura o precarga interna predeterminada o una distribución uniforme de la carga sin el uso de arandelas compensadoras.

Parametry

Diámetro D (mm):

55

Ancho A (mm):

12,3

Ancho B (mm):

13

Temperatura máxima °C:

+100

Tipo:

rodamiento de husillo

Ángulo (°):

15°

Marcado:

7006 CDGA/P4A

DOTAZ PRODEJCI

SKF

SKF 7006 CDGA/P4A rodamiento de husillo

€131,00

Varianta

  • Výchozí varianta
Ver producto