¡Su proveedor B2B más confiable del mercado!

SKF  |  SKU: L.7007 ACDGA/P4A SKF -- 7007 ACDGA/P4A

SKF 7007 ACDGA/P4A rodamiento de husillo


Varianta
€125,00
Impuestos incluidos Envío calculado al finalizar la compra.

Descripción

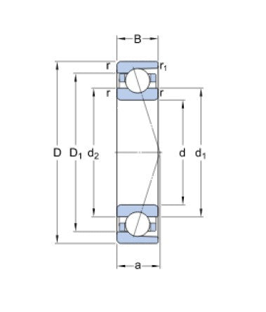
SKF 7007 ACDGA/P4A - rodamiento de bolas de contacto angular de una fila, no desmontable, de precisión, con un ángulo de contacto de 15°, jaula ligera de resina fenólica reforzada con tejido textil, universalmente acoplable con ligera precarga. El rodamiento puede soportar carga axial solo en una dirección, por lo que generalmente se ajusta contra el segundo rodamiento. La holgura interna de los rodamientos de bolas de una fila con contacto angular se logra solo después del montaje y depende del ajuste de la posición axial con respecto al segundo rodamiento, que proporciona la guía axial en la dirección opuesta. Los rodamientos para acoplamiento universal se montan en pares y se fabrican para que, al ensamblarse para carga axial en una dirección, es decir, en tándem, o para carga axial en ambas direcciones, es decir, espalda con espalda en "O" o cara a cara en "X", se logre la holgura o precarga interna predeterminada o una distribución uniforme de la carga sin el uso de arandelas de compensación.

Parametry

Diámetro D (mm):

62

Ancho A (mm):

18,5

Ancho B (mm):

14

Temperatura máxima °C:

+100

Tipo:

rodamiento de husillo

Ángulo (°):

25°

Marcado:

7007 ACDGA/P4A

DOTAZ PRODEJCI

SKF

SKF 7007 ACDGA/P4A rodamiento de husillo

€125,00

Varianta

  • Výchozí varianta
Ver producto