¡Su proveedor B2B más confiable del mercado!

SKF  |  SKU: L.7015 CDGA P4 SKF -- 7015 CDGA/P4A

SKF 7015 CDGA/P4A rodamiento de husillo


Varianta
€296,00
Impuestos incluidos Envío calculado al finalizar la compra.

Descripción

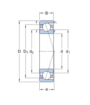
7015 CDGA/P4A SKF Rodamiento de bolas con contacto angular

Parametry

Diámetro D (mm):

75

Diámetro D (mm):

115

Ancho A (mm):

22,8

Ancho B (mm):

20

Tipo:

rodamiento de husillo

Ángulo (°):

15°

Marcado:

7015 CDGA/P4A

DOTAZ PRODEJCI

SKF

SKF 7015 CDGA/P4A rodamiento de husillo

€296,00

Varianta

  • Výchozí varianta
Ver producto