Descripción
                          
                        
                      
                      Descripción
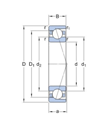
SKF 7206 ACDGA/P4A - rodamiento de bolas de una fila, no desmontable, de precisión, con contacto angular, ángulo de contacto de 25°, jaula ligera de resina fenólica reforzada con tejido textil guiada por el anillo exterior, universalmente emparejable con ligera precarga.
El rodamiento puede soportar carga axial solo en una dirección, por lo que generalmente se ajusta contra el segundo rodamiento.
La holgura interna de los rodamientos de bolas de una fila con contacto angular se logra solo después del montaje y depende del ajuste de la posición axial respecto al segundo rodamiento, que asegura la guía axial en la dirección opuesta.
Los rodamientos para emparejamiento universal se montan en pares y se fabrican para que, al ensamblarse para carga axial en una dirección, es decir, en tándem, o para carga axial en ambas direcciones, es decir, espalda con espalda en "O" o cara a cara en "X", se logre la holgura interna o precarga predeterminada o una distribución uniforme de la carga sin el uso de arandelas de compensación.
                      El rodamiento puede soportar carga axial solo en una dirección, por lo que generalmente se ajusta contra el segundo rodamiento.
La holgura interna de los rodamientos de bolas de una fila con contacto angular se logra solo después del montaje y depende del ajuste de la posición axial respecto al segundo rodamiento, que asegura la guía axial en la dirección opuesta.
Los rodamientos para emparejamiento universal se montan en pares y se fabrican para que, al ensamblarse para carga axial en una dirección, es decir, en tándem, o para carga axial en ambas direcciones, es decir, espalda con espalda en "O" o cara a cara en "X", se logre la holgura interna o precarga predeterminada o una distribución uniforme de la carga sin el uso de arandelas de compensación.
                  
                    Parametry
                    
                        
                    
                  
                
                Parametry
Diámetro D (mm):
                        
                    
                        
                          62
Ancho A (mm):
                        
                    
                        
                          18,8
Ancho B (mm):
                        
                    
                        
                          16
Tipo:
                        
                    
                        
                          rodamiento de bolas de contacto angular
Ángulo (°):
                        
                    
                        
                          25°
Marcado:
                        
                    
                  7206 ACDGA/P4A